PLUS DE VERROUILLAGE CENTRALISE SUR UNE RENAULT ESPACE
L'étage final ne passe plus au 12 v
Il y a quelque temps, notre spécialiste en diagnostic a été contacté pour un problème sur une Renault Espace de 2004, équipée d'un moteur 2.0 dCi M9R. La panne se situait sur le système de confort, et plus spécifiquement au niveau du verrouillage centralisé. Lors de l'ouverture du véhicule, seule la portière conducteur se déverrouillait, les trois autres portes refusaient de s'ouvrir. Le coffre et la trappe du réservoir fonctionnaient sans problème.VERROUILLAGE BIZARRE
Le verrouillage de la voiture à l'aide de la télécommande fonctionnait bien. Mais lorsqu'on appuyait sur le bouton pour déverrouiller les portes, seule la porte du conducteur s'ouvrait. Le bouton de déverrouillage à l'intérieur de la voiture permettait par contre d'ouvrir les portières restantes! Ajoutez à cela l'interruption des codes d'erreur dans le calculateur central et le schéma correct, et vous comprendrez que le monteur ne s'en sortait pas. Chez nous non plus, pas moyen de retrouver le schéma correct, nous avons demandé le schéma original en téléphonant chez Gutmann.FONCTIONNEMENT
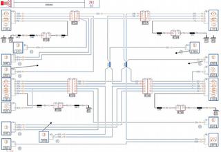
Le schéma explique que le verrouillage centralisé de cette Espace est assez complexe. Dans un schéma 'normal' d'un système de confort, chaque porte comprend un module qui communique avec l'électronique centrale par le biais d'un bus CAN. Les étages finaux de la commande du verrou de la portière sont alors intégrés dans le module de la porte. - un transistor sert à verrouiller toutes les portières;
- un câble pour ouvrir la portière avant gauche (AVG);
- un pour ouvrir les portières avant droite (AVD), arrière gauche (AG) et arrière droite (AD);
- et un câble pour verrouiller les deux portes arrière.
MESURER ET CONCLURE
Suite à la plainte, nous ciblons surtout l'étage final 2 et nous décidons de mesurer le branchement à fil blanc en position 3 dans la boîte à fusibles. Pour ouvrir les portière AVD, AG et AD, l'étage final doit être alimenté de 12 V par le câble correspondant. Après avoir branché le système, nous mesurons et appuyons deux fois sur le bouton de déverrouillage de la télécommande. Le résultat est très clair: l'étage final ne passe pas du tout en 12 V. Nous pouvons exclure une coupure du circuit, car nous aurions quand même mesuré les 12 V à cet endroit lors de l'activation du transistor.
Résistance de transfert de charge dans le câblage?
Afin d'en être bien sûr, nous alimentons le câble vert de 12 V ... et les trois portières se déverrouillent immédiatement. Facile à mesurer, mais pour accéder au branchement, il faut démonter le tableau de bord. Et comme une boîte à fusibles ne coûte pas très cher, nous avons demandé au garage de la remplacer. Et tous les problèmes ont ainsi été réglés!
